В характеристиках кремниевого транзистор КТ838А указано что изготавливается он по мезапланарной технологии и применяется в каскадах строчной развертки телевизоров. Его структура n-p-n. Также его можно встретить в схемах видоеконтрольных устройств. Весит данный транзистор не более 20г, а выпускает его акционерное общество «Кремний» город Брянск.
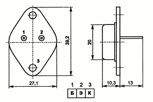
Распиновка
Цоколевка КТ838А выполнена в металлическом корпусе типа КТ-9 (ТО-3) с жесткими выводами и стеклянными изоляторами. На рисунке ниже представлена схема расположения выводов данного транзистора: 1 — база, 2 — эмиттер, 3 — коллектор.
Характеристики
Основные технические параметры кт838а:
- Рассеиваемая мощность коллектора (постоянная) при использовании теплоотвода при температуре от -450С до +250С — 12,5 Вт.
- Статический коэффициент передачи тока (при Uкэ=5 В, Iк=50 мА) не менее — 6.
- Граничная частота коэффициента передачи тока в схеме с общим эмиттером при Uкэ=20В, Iк=0,3А не менее — 3 МГц.
- Предельно допустимое напряжение коллектор-база — 1500 В.
- Предельно допустимый постоянный ток коллектора — 5 А.
- Обратный ток коллектор-эмиттер (при Тк = +250С, Uкэ=1500 В, Uбэ=0) — 1 мА.
- Типовое значение емкости коллекторного перехода при Uкб=170 пФ
Представленные значения даются самим производителем. При работе устройства в этих приделах гарантируется его целостность и долговечность. Ниже представлены все значение которые взяты из документации компании АО «Кремний».
Также у транзистора кт838а есть предельные значения, которые он может выдержать разово в короткий промежуток времени, если при неоднократном измерении одного из указанных параметров у вас любой из них совпадают или превышают значение из таблицы, то стоит проверить всю схему на неисправность.
Особенности монтажа
При пайке расстояние от корпуса транзистора до места пайки должно быть от 5 мм и более. Температура жала паяльника более +2500С, время пайки менее 3 с.
Аналоги
Наиболее подходящими для замены зарубежными аналогами КТ838А являются транзисторы BU204, BU2506DF, 2SD380. Существуют также аналоги его с другим типом корпуса: BU2506DF, BU706D, BU706, BU506D, BU506, BU506DF, 2SD1738.
Производитель
Выпускает данное изделие акционерное общество «Кремний» г. Брянск. Одним из крупных поставщиков транзистора является компания «Вертекс».
Применение
На транзисторе КТ838 можно собрать регулируемый источник переменного тока. В данной схеме его включают последовательно с нагрузкой. Преимущество данной схемы, перед тиристорными, заключается в следующем: отсутствие дорогостоящих деталей, синусоидальное напряжение на выходе, простота схемы, отсутствие дефицитных деталей, во время работы не создает помех в электросеть.
Данный регулируемый источник переменного тока можно использовать вместо лабораторного автотрансформатора. С его помощью можно регулировать температуру паяльника, скорость вращения электродвигателя. Данный прибор можно использовать для регулирования напряжения, как при активной, так и при реактивной нагрузке.
При работе в такой схеме транзистор КТ838 выделяет много тепла и поэтому возникает проблема с его отводом.
Диодный мост VD1 обеспечивает протекание прямого тока через транзистор при любом полупериоде переменного напряжения сети. Выпрямленное диодным мостом VD2 напряжение сглаживается электролитическим конденсатором С1. При помощи переменного резистора R2 регулируется ток базы транзистора VТ1, а значит и его сопротивление в цепи переменного тока. Резистор R1 выступает в роли ограничителя тока. Диод VD3 нужен для того, чтобы напряжение отрицательной полярности не попало на базу транзистора. Таким образом, регулируя напряжение на базе, мы управляем сопротивлением транзистора, а значит и током в коллекторной цепи. Изменяя ток коллектора, мы меняем ток нагрузки.
В диодном мосте VD1 используется четыре диода Д223. Для диодного моста VD2 можно использовать диоды КЦ405А. Диод VD3 это Д226Б. Электролитический конденсатор С1 имеет емкость 200 мкФ и рассчитан на напряжение 16 В. Переменный резистор R2 обязательно должен быть проволочным ППБ15 или ППБ16 мощностью не менее 2,5 Вт. Его сопротивление 1 кОм. Трансформатор Т1 рассчитывается на мощность от 12 до 15 Вт. Напряжение на вторичной обмотке трансформатора 6 — 10 В. Транзистор должен быть установлен на радиаторе площадью не менее 250 см2.
Чтобы увеличить мощность регулируемого источника переменного тока, нужно заменить транзистор VТ1 и диоды, используемые в диодном мостике VD1. При замене транзистора КТ838 на КТ856 можно будет подключать нагрузку 150 Вт, при замене на КТ834 — 200 Вт, КТ847 — 250 Вт.
Данный регулируемый источник тока гальванически связан с электрической сетью. Поэтому его корпус должен быть сделан из диэлектрика, а на переменный резистор R2 нужно надеть изолированную ручку.
Также можете скачать DataSheet от компании ООО «Электроника и Связь»













Хорошая статья